△紙質檔案數字化加工流程圖,僅供參考
紙質檔案數字化規范
DA/T31—2017
1 范圍
本標準規定了紙質檔案數字化技術和管理要求。本標準適用于采用掃描設備對紙質檔案的數字化加工過程的管理。
2 規范性引用文件
下列文件對于本文件的應用是必不可少的。凡是注日期的引用文件,僅注日期的版本適用于本文件。凡是不注日期的引用文件,其最新版本(包括所有的修改單)適用于本文件。
GB/T 20530-2006 文獻檔案資料數字化工作導則
DA/T 1 檔案工作基本術語
DA/T 18 檔案著錄規則
ISO/TR 13028 信息與文獻 檔案數字化實施指南(Information and Documentation — Implementation guidelines for digitization of records)
3 術語和定義
GB/T 20530-2006、DA/T 1、DA/T 18界定的以及下列術語和定義適用于本文件。
3.1數字化 digitization
利用計算機技術將模擬信號轉換為數字信號的處理過程。
3.2數字圖像digital image
表示實物圖像的整數陣列。一個二維或更高維的采樣并量化的函數,由相同維數的連續圖像產生。
3.3紙質檔案數字化digitization of paper-based records
采用掃描儀等設備對紙質檔案進行數字化加工,使其轉化為存儲在磁帶、磁盤、光盤等載體上的數字圖像,并按照紙質檔案的內在聯系,建立起目錄數據與數字圖像關聯關系的處理過程。
3.4分辨率resolution
單位長度內圖像包含的點數或像素數,一般用每英寸點數(dpi)表示。
4 總則
4.1 各單位應根據檔案的珍貴程度、開放程度、利用率、亟待搶救程度、數字化資金情況等因素統籌規劃、科學開展紙質檔案數字化工作。紙質檔案數字化工作的開展應遵循ISO/TR 13028和GB/T 20530提出的要求和建議。
4.2 紙質檔案數字化的基本環節主要包括:數字化前處理、目錄數據庫建立、檔案掃描、圖像處理、數據掛接、數字化成果驗收與移交等。
4.3 應采取有效的管理和技術手段,確保紙質檔案數字化成果質量。紙質檔案數字化應遵循檔案管理的客觀規律,真實反映檔案內容,最大程度地展現檔案原貌。
4.4 紙質檔案數字化過程中,應保存數字化項目信息、技術環境、數字化各類技術參數等方面的元數據。元數據元素的確定應符合ISO/TR 13028提出的要求。
4.5 應加強紙質檔案數字化各環節的安全管理,確保檔案實體和檔案信息的安全。
4.6 加工涉密檔案時,應按照涉密檔案相關保密要求開展工作。
5 組織與管理
5.1 機構及人員
5.1.1 應建立紙質檔案數字化工作組織,對數字化工作進行統籌規劃、組織實施、協調管理、安全保障、技術保障、監督檢查、成果驗收等,確保數字化工作的順利開展。
5.1.2 應配備具有相應能力的工作人員,包括熟悉檔案業務并具有較高的調查研究水平和良好的組織領導能力的管理人員,熟悉相關標準規范并能夠為紙質檔案數字化工作各環節提供技術支持的技術人員,掌握一定數字化基礎知識并熟悉本職工作的操作人員等。應通過科學規范的管理制度,對工作人員進行規范化管理。為強化數字化工作的安全性,應加強對外聘工作人員的審核。
5.2 基礎設施
5.2.1 應配備專用加工場地,并進行合理布局,形成檔案存放、數字化前處理、檔案著錄、檔案掃描、圖像處理、質量檢查等工作區域。
5.2.2 加工場地的選擇及溫濕度等環境的控制不應不利于檔案實體的保護。場地內應配備可覆蓋全部場地的防火、防水、防有害生物、防盜報警、視頻監控等安全管理的設施設備。
5.2.3 應合理規劃、配備和管理紙質檔案數字化設施設備,確保設施設備安全、先進,能夠滿足數字化工作的需要。
5.3 工作方案
5.3.1 應在充分調研的基礎上,制定科學合理的工作方案,確保紙質檔案數字化工作達到預期目標。
5.3.2 紙質檔案數字化工作方案應包括數字化對象、工作目標、工作內容、成本核算、數字化技術方法和主要技術指標、驗收依據、人員安排、責任分工、進度安排、安全管理措施等內容。數字化對象的確定應綜合考慮檔案的珍貴程度、開放程度、利用率、亟待搶救程度、數字化資金情況等因素。
5.3.3 宜對紙質檔案數字化工作方案進行專家論證,確保其科學、規范、合理。
5.3.4 紙質檔案數字化工作方案應經審批后嚴格執行。工作方案審批結果應與數字化工作過程中形成的其他文件一并保存。
5.4 管理制度
5.4.1 應制定科學化、規范化的管理制度,并在工作過程中嚴格執行,以有效保障檔案安全和紙質檔案數字化成果質量。
5.4.2 紙質檔案數字化管理制度應包含崗位管理、人員管理、場地管理、設備管理、數據管理、檔案實體管理等方面的制度。
崗位管理制度主要規定數字化工作各崗位的工作目標和職責,形成明確的崗位業務流程規范、考核標準、獎懲辦法等;人員管理制度主要對人員的安全責任、日常行為、外聘人員信息審核及管理、非工作人員來訪登記等進行規范;場地管理制度主要對人員出入和工作場地內基礎設施、環境、網絡、監控設施、現場物品、證件等的管理進行規范;設備管理制度主要對數字化工作各環節涉及的全部設備的管理進行規范;數據管理制度主要對數字化各環節所產生的數據的管理進行規范;檔案實體管理制度主要對檔案實體在數字化過程中的交接、管理、存放等工作進行規范。
5.5 工作流程控制
5.5.1 應依據相關的法律法規和各類技術標準,制定相關的工作流程和各環節操作規范等,對紙質檔案數字化全過程進行有效的控制,確保數字化成果質量。紙質檔案數字化流程示例參見附錄A。
5.5.2 應加強對紙質檔案數字化工作的全流程安全管理。
5.5.3 應建立完善的問題反饋機制,對紙質檔案數字化工作過程中后端環節發現前端環節中產生的問題進行及時反饋和修正。
5.6 工作文件管理
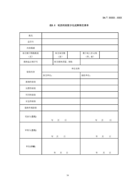
5.6.1 應根據情況制定符合實際要求的紙質檔案數字化工作文件,以此加強對數字化工作的管理。主要包括紙質檔案數字化工作方案、紙質檔案數字化審批書、紙質檔案數字化流程單、數據驗收單、項目驗收報告、紙質檔案數字化成果移交清單等,采取外包方式實施時,還應包括項目招標文件、投標文件、中標通知書、項目合同、保密協議等。部分工作單示例參見附錄B。
5.6.2 應加強對紙質檔案數字化工作文件的管理,明確數字化工作過程中形成的工作文件的整理、歸檔、移交等管理要求。
5.7 檔案數字化外包
5.7.1 紙質檔案數字化工作如需外包,檔案部門應從企業性質、股東組成、安全保密、企業規模、注冊資金情況等方面嚴格審查數字化加工企業的相關資質;按照GB/T 20530-2006第5章的要求評估數字化加工企業的技術能力;從規章制度的建立健全程度等方面考查加工企業的管理能力。
5.7.2 在項目實施過程中,應依據《檔案數字化外包安全管理規范》(檔辦發[2014]7號),從檔案部門、數字化服務機構、數字化場所、數字化加工設備、檔案實體、數字化成果移交接收與設備處理等層面執行嚴格的安全管理要求。
5.7.3 檔案部門應指派專門人員參與紙質檔案數字化外包業務的監督、指導,完成質量監控、進度監控、投資監控、安全監控和協調溝通等方面的工作。
6 檔案出庫
6.1 檔案保管部門應按照紙質檔案數字化工作方案確定的數字化對象開展檔案調取、清點、登記等前期準備工作,并提交檔案出庫申請,經相關責任人批準后,嚴格按照檔案庫房管理規定為數字化對象辦理出庫相關手續,并與數字化部門共同清點無誤后,對檔案進行交接出庫。
6.2 紙質檔案數字化過程中,應設置距離數字化加工場所較近的保管庫用以臨時存放紙質檔案,并對紙質檔案的領取與歸還進行嚴格管理,認真做好檢查、清點、登記等工作,確保紙質檔案的安全。
7 數字化前處理
7.1 確定掃描頁
原則上應將確定為數字化對象的紙質檔案全部掃描,不宜進行挑掃。如有不需要掃描的頁面應加以標注。
7.2 編制頁號
7.2.1 應對沒有頁號或頁號不正確的檔案重新編制頁號。
7.2.2 重新編制頁號時,應在統一位置書寫頁號,且不壓蓋檔案內容。
7.2.3 書寫頁號所使用的筆、墨等不應破壞檔案原件或對檔案長期保存造成影響。
7.2.4 應將破損頁面、缺頁等特殊情況進行登記。
7.3 目錄數據準備
7.3.1 按照目錄數據庫建立時制定的數據規則,對照檔案原件內容,規范檔案中的目錄內容。
7.3.2 對需在目錄數據庫中進行標記的情況進行標記。
7.4 拆除裝訂
應以對紙質檔案的保護為原則確定是否拆除裝訂。如需拆除裝訂物,應注意保護檔案不受損害,并對排列順序不準確的檔案進行重排。特殊裝訂且拆除裝訂后需恢復的檔案,在拆除裝訂物時應采用拍照等方式記錄檔案原貌,以便于恢復。
7.5 技術修復
7.5.1 破損嚴重或其他無法直接進行掃描的紙質檔案,應先由專業技術人員進行技術修復。
7.5.2 折皺不平影響掃描質量的紙質檔案應先進行壓平等相應技術處理。
8 目錄數據庫建立
8.1 應制定目錄數據庫數據規則,包括數據字段長度、字段類型、字段內容要求等。目錄數據庫數據規則的制定應符合DA/T 18對檔案著錄的要求。在紙質檔案目錄準備與目錄數據庫建立工作中均應嚴格遵守。
8.2 數據庫選擇應考慮可轉換為通用數據格式,以便于數據交換。
8.3 數據庫結構的設計應特別注意保持檔案的內在聯系,有利于紙質檔案數字化成果的管理和利用。
8.4 將紙質檔案數字化前處理工作中對紙質檔案目錄進行修改、補充的結果錄入數據庫,形成準確、完整的目錄數據。
8.5 可采用計算機自動校對與人工校對相結合的方式,對目錄數據的質量進行檢查,包括著錄項目的完整性、著錄內容的規范性和準確性等。發現不合格的數據應及時進行修改。
9 檔案掃描
9.1 基本要求
檔案掃描應根據紙質檔案原件實際情況、數字化目的、數字化規模、計算機網絡和存儲條件等選擇相應的掃描設備,和進行相關參數的設置和調整。參數的設置和調整應保證掃描后數字圖像清晰、完整、不失真,圖像效果最接近檔案原貌。
9.2 掃描設備
9.2.1 掃描設備的選擇應特別注意對檔案實體的保護,盡量采用對檔案實體破壞性小的掃描設備進行數字化。
9.2.2 超出所使用掃描儀掃描尺寸的檔案可采用更大幅面掃描儀進行掃描,也可以采用小幅面掃描儀分幅掃描后進行圖像拼接的方式處理。分幅掃描時,相鄰圖像之間應留有足夠的重疊,并且采用標版等方式明確說明分幅方法;若后期采用軟件自動拼接的方式,重疊尺寸建議不小于單幅圖像對應原件尺寸的1/3。
9.2.3 應遵循相關設備的使用規律進行定期維護、保養。
9.3 掃描色彩模式
9.3.1 為最大限度保留檔案原件信息,便于多種方式的利用,宜全部采用彩色模式進行掃描。
9.3.2 頁面中有紅頭、印章或插有照片、彩色插圖、多色彩文字等的檔案,應采用彩色模式進行掃描。
9.3.3 頁面為黑白兩色,并且字跡清晰、不帶插圖的檔案,也可采用黑白二值模式進行掃描。
9.3.4 頁面為黑白兩色,但字跡清晰度差或帶有插圖的檔案,也可采用灰度模式掃描。
9.4 掃描分辨率
9.4.1 掃描分辨率的選擇,應保證掃描后圖像清晰、完整,并綜合考慮數字圖像后期利用方式等因素。
9.4.2 掃描分辨率應不小于200dpi。如文字偏小、密集、清晰度較差時,建議掃描分辨率不小于300dpi。
9.4.3 如有COM輸出、仿真復制、印刷出版等其他用途時,可根據需要調整掃描分辨率。需要進行COM輸出的檔案,掃描分辨率建議不小于于300 dpi;需要進行高精度仿真復制的檔案,掃描分辨率建議不小于600 dpi;需要進行印刷出版的檔案,可結合檔案幅面、印刷出版幅面、印刷精度要求等選擇合適的分辨率。
9.5 存儲格式
9.5.1 紙質檔案數字圖像長期保存格式為TIFF、JPEG或JPEG2000等通用格式,圖像壓縮率的選擇可根據實際應用的需求而定。
9.5.2 紙質檔案數字圖像利用時,也可從網絡瀏覽速度、易操作性、存儲空間占用等方面進行綜合考慮,將圖像轉換為PDF等其他格式。
9.5.3 同一批檔案應采用相同的存儲格式。
9.6 圖像命名
9.6.1 應以檔號為基礎對數字圖像命名。圖像命名方式的選擇應確保圖像命名的唯一性。
9.6.2 建議將數字圖像存儲為單頁文件,并按檔號與圖像流水號的組合對圖像命名。
9.6.3 數字圖像確需存儲為多頁文件時,可采用該檔案的檔號對圖像命名。
9.6.4 應科學建立紙質檔案數字圖像的存儲路徑,確保數據掛接的準確性。
10 圖像處理
10.1 圖像拼接
對分幅掃描形成的多幅數字圖像,應進行拼接處理,合并為一個完整的圖像,以保證紙質檔案數字圖像的整體性。拼接時應確保拼接處平滑地融合,拼接后整幅圖像無明顯拼接痕跡。
10.2 旋轉及糾偏
對不符合閱讀方向的數字圖像應進行旋轉還原。對出現偏斜的圖像應進行糾偏處理,以達到視覺上基本不感覺偏斜為準。
10.3 裁邊
如需對數字圖像進行裁邊處理,應在距頁邊最外延至少2至3毫米處裁剪圖像。
10.4 去污
如需對數字圖像進行去污處理,以去除在掃描過程中產生的污點、污線、黑邊等影響圖像質量的雜質,應遵循展現檔案原貌的原則,處理過程中不得去除檔案頁面原有的紙張褪變斑點、水漬、污點、裝訂孔等痕跡。
10.5 圖像質量檢查
10.5.1 數字圖像不完整、無法清晰識別或圖像失真度較大時,應重新掃描。
10.5.2 對于漏掃、重掃、多掃等情況,應及時改正。
10.5.3 數字圖像的排列順序與檔案原件不一致時,應及時進行調整。
10.5.4 對數字圖像拼接、旋轉及糾偏、裁邊、去污等處理情況進行檢查,發現不符合圖像質量要求時,應重新進行圖像處理。
11 數據掛接
11.1 應借助相關軟件對數據庫中的目錄數據與其對應的紙質檔案數字圖像進行掛接,以實現目錄數據與數字圖像的關聯。
11.2 逐條對掛接結果進行檢查,包括目錄數據與紙質檔案數字圖像對應的準確性、已掛接數字圖像與實際掃描數量的一致性、數字圖像是否能正常打開等,發現錯誤及時進行糾正。
12 數字化成果驗收與移交
12.1 驗收方式
12.1.1 建議檔案部門成立專門的驗收組對紙質檔案數字化成果進行驗收。
12.1.2 應采用計算機自動檢驗與人工檢驗相結合的方式對紙質檔案數字化成果進行驗收檢驗。
12.2 驗收內容
12.2.1 紙質檔案數字化成果包括數字圖像、檔案目錄數據、元數據、數字化工作中產生的工作文件、存儲載體等。
12.2.2 應對目錄數據進行驗收,主要包括數據庫中各條目的內容、格式等的準確程度、必填項是否填寫等。
12.2.3 應對元數據進行驗收,主要包括元數據元素的完整性和賦值規范性等。
12.2.4 應對數字圖像進行驗收,主要包括數字化參數、存儲路徑、命名的準確性、圖像的完整性、排列順序的準確性、圖像質量等。
12.2.5 應對數據掛接進行驗收,主要包括目錄數據與其對應的數字圖像的掛接的準確性等。
12.2.6 應對工作文件進行驗收,主要包括工作文件的完整性、規范性等。
12.2.7 應對存儲載體進行驗收,主要包括載體的可用性、有無病毒等。
12.3 驗收指標
能夠采用計算機自動檢驗的項目應采用計算機自動檢驗的方式進行100%檢驗,檢驗合格率應為100%。對于無法用計算機自動檢驗的項目,可根據情況以件或卷為單位采用抽檢的方式進行人工檢驗。抽檢比率不得低于5%,對于數據庫條目與數字圖像內容對應的準確性,抽檢合格率應為100%,其他內容的抽檢合格率應不低于95%。
12.4 驗收結論
12.4.1 每批紙質檔案數字化成果質量檢驗達到本標準12.2和12.3的要求,予以驗收“通過”。驗收未通過應視情況進行返工或修改后,重新進行驗收。
12.4.2 驗收完成后須經驗收組成員簽字。驗收“通過”的結論,必須經相關領導審核、簽字后方有效。
12.5 移交
驗收合格的數據應按照紙質檔案數字化工作方案及時移交,并履行交接手續。移交單示例參見附錄B。
13、檔案歸還入庫
13.1 檔案裝訂
紙質檔案數字化工作完成后,拆除過裝訂物的檔案如需裝訂,應注意保持檔案原貌,做到安全、準確、無遺漏。
13.2 檔案歸還入庫
按照檔案入庫相關要求對紙質檔案進行處理和清點,并履行檔案入庫手續。








轉自:蘭臺學苑
附件:



